热门搜索: 伺服超声波焊接机 超声波塑料焊接机 超声波焊接自动化配套 手持式超声波切割机 招商加盟
咨询热线
13612231694
埃夫特大型机器人
适用场景:可应用于点焊、螺柱焊、搬运、码垛等各种场景。
适用行业:适用于汽车零部件、光伏、食品饮料、建材、仓储物流等行业。
特点:得益于高刚性的结构,配合高速智能码垛工艺包,效率提升20%,帮助客户多快好省的完成工作;集成了多个行业专用工艺包,配合软PLC和各种总线接口,帮助客户轻松面对各种工艺挑战。
13612231694
01得益于高刚性的结构,配合高速智能码垛工艺包,效率提升20%,
02集成了多个行业专用工艺包
03配合软PLC和各种总线接口,帮助客户轻松
面对各种工艺挑战。
04可应用于点焊、螺柱焊、搬运、码垛等各种场景
05适用于汽车零部件、光伏、食品饮料、建材、仓储物流等行业
Operating ranges
可达半径:600mm
控制轴数:4
手腕可搬运质量:22kg
可达半径:1391mm
控制轴数:6
手腕可搬运质量:12kg
可达半径:1850mm
控制轴数:6
手腕可搬运质量:25kg
.
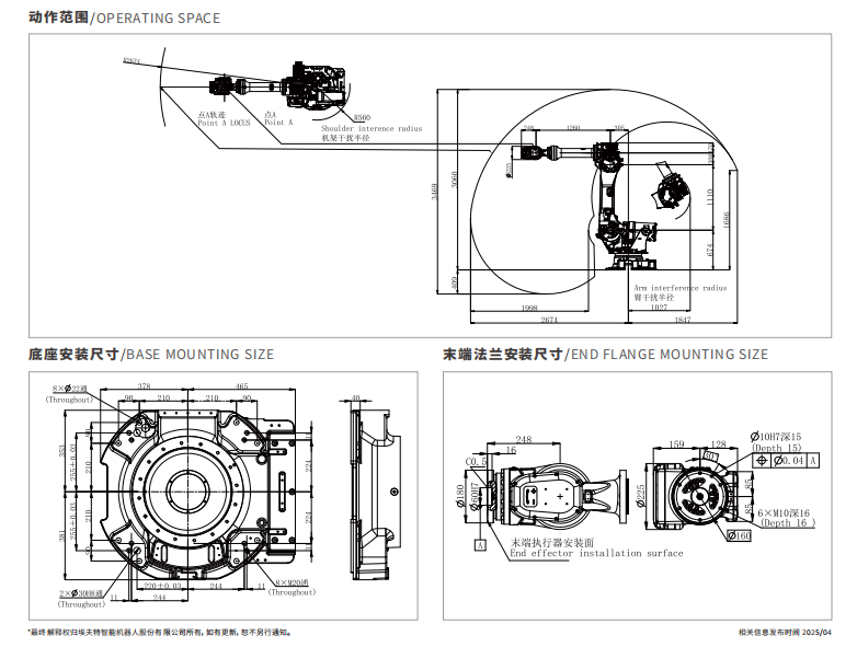
可达半径:2674mm
控制轴数:6
手腕可搬运质量:210kg
可达半径:3074mm
控制轴数:6
手腕可搬运质量:10kg
可达半径:2674mm
控制轴数:6
手腕可搬运质量:210kg
.
微信咨询
联系电话