热门搜索: 伺服超声波焊接机 超声波塑料焊接机 超声波焊接自动化配套 手持式超声波切割机 招商加盟
咨询热线
13612231694
埃夫特防爆机器人
适用场景:可应用于搬运、分拣、组装、打磨、抛光、喷涂等应用的粉尘或者气体防爆场景
特点:基于埃夫特成熟平台研发设计,稳定可靠;无电池编码器,全密封设计,线缆全包裹,完整腔体的闭环防爆控制,更安全;防爆等级:Ex db ib pxb llC T5 Gb、Ex ib pxb tb lllC T100'C Db 可用于1区及21区危险环境;
13612231694
01基于埃夫特成熟平台研发设计,稳定可靠
02无电池编码器,全密封设计,线缆全包裹,完整腔体的闭环防爆控制,更安全
03防爆等级:Ex db ib pxb llC T5 Gb、Ex ib pxb tb lllC T100'C Db 可用于1区及21区危险环境
04可应用于搬运、分拣、组装、打磨、抛光、喷涂等应用的粉尘或者气体防爆场景
Operating ranges
可达半径:600mm
控制轴数:4
手腕可搬运质量:22kg
可达半径:1391mm
控制轴数:6
手腕可搬运质量:12kg
可达半径:1850mm
控制轴数:6
手腕可搬运质量:25kg
.
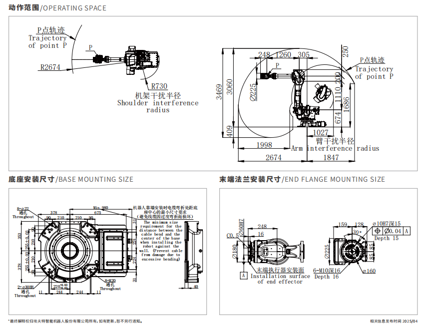
可达半径:2674mm
控制轴数:6
手腕可搬运质量:210kg
可达半径:3074mm
控制轴数:6
手腕可搬运质量:10kg
可达半径:2674mm
控制轴数:6
手腕可搬运质量:210kg
.
微信咨询
联系电话